在磁力自动控制电路中,传感元件是干簧管,当磁铁靠近时,常开触点闭合而接通传感电路,完成位置传感作用。   能不能用干簧管开关直接控制电动机的转与停呢?玩具电动机是常用的动力装置,它能够把电能转换为机械能,可用于小电风扇转动、小离心水泵抽水等执行功能。通常玩具直流电动机工作电压低,虽然在1.5~3V就可以启动,但起动电流较大(1~2安培),如果用触点负荷仅为几十毫安的干簧管进行开关控制,将大大缩短其使用寿命。因此,在自动控制电路中,常使用电子开关来控制电动机的工作状态。
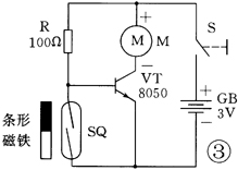
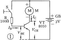
    三极管电子开关电路 见图1 。由开关三极管VT,玩具电动机M,控制开关S,基极限流电阻器R和电源GB组成。VT采用NPN型小功率硅管8050,其集电极最大允许电流ICM可达1.5A,以满足电动机起动电流的要求。M选用工作电压为3V的小型直流电动机,对应电源GB亦为3V 。   VT基极限流电阻器R如何确定呢?根据三极管的电流分配作用,在基极输入一个较弱的电流IB,就可以控制集电极电流IC有较强的变化。假设VT电流放大系数hfe≈250,电动机起动时的集电极电流IC=1.5A,经过计算,为使三极管饱和导通所需的基极电流IB≥(1500mA/250)×2=12mA。在图1电路中,电动机空载时运转电流约为500mA,此时电源(用两节5号电池供电)电压降至2.4V,VT基极-发射极之间电压VBE≈0.9V。根据欧姆定律,VT基极限流电阻器的电阻值R=(2.4-0.9)V/12mA≈0.13kΩ。考虑到VT在IC较大时,hfe要减小,电阻值R还要小一些,实取100Ω。为使电动机更可靠地启动,R甚至可减少到51Ω。在调试电路时,接通控制开关S,电动机应能自行启动,测量VT集电极—发射极之间电压VCE≤0.35V,说明三极管已饱和导通,三极管开关电路工作正常,否则会使VT过热而损坏。   自动灭火的热量自动控制电路 见图2。该电路是将图1中的控制开关S换成双金属复片开关ST,就成为热控电路了。当蜡烛火焰烧烤到双金属复片时,复片趋于伸直状态,使得开关ST接通,电动机启动,带动小风扇叶片旋转,对准蜡烛吹风,自动将火焰熄灭;当双金属片冷却后,开关断开,小电风扇自动停转,完成了自动灭火的程序。   自动停车的磁力自动控制电路 见图3。开启电源开关S,玩具车启动,行驶到接进磁铁时,安装在VT基极与发射极之间的干簧管SQ闭合,将基极偏置电流短路,VT截止,电动机停止转动,保护了电动机及避免大电流放电。 
    
  |